Hausboot-Technik
| I m p r e s s u m | B i l d e r g a l e r i e | Z e i c h n u n g e n | T e c h n i k |
| G ä s t e b u c h | W&L auf dem Wasser | F A Q | L i n k s |
Um eine gewisse Unabhängigkeit von Strom, Wasser und Wärme zu bekommen, kann man Sonne und Wind als Stromlieferant benutzen, so wie Regenwasser über das Dach auffangen. Wärme dagegen bekommt man nur über eine Heizungsanlage.
Eine Anzahl von
Händler findet man beim Jachtbedarf, wo vieles an Ausrüstung für die Technik
zu bekommen ist. Auch bei Ausrüstern von Campingbedarf ist vieles zu finden und
oftmals billiger. Ich schaue gerne bei
Strom: Über Solarzellen und Windgeneratoren ist es möglich Batterien (12/24 Volt) zu laden und über einen Wechselrichter 220Volt zu bekommen. Die Grenzen sind allerdings schnell erreicht wenn die Verbraucher zu viel Energie/Strom aufnehmen, z.B. Waschmaschine.

12 Volt Verbraucher sind zum Beispiel: Licht/Beleuchtung, TV, Musik, Computer, Kühlschrank, Druckwassersystem, Pumpen, Navigation, usw.
220 Volt Verbraucher ist mehr oder weniger der Rest, wie Staubsauger, Waschmaschine, Ladegeräte für Fotozubehör, Mixer, Werkzeuge, usw.
Den Herd und Backofen werde ich über Gas betreiben, eine saubere Sache und überall nach zu Kaufen.
Wasser: Regenwasser bekommt man kostenlos über das Dach geliefert, sobald es regnet. Man muss nur dafür sorgen das es irgendwo gelagert wird und über eine Pumpe (Druckwassersystem) zu den Verbrauchern gelangt. Um sauberes und klares Wasser zu bekommen, sollte es gefiltert werden und nicht der Sonne ausgesetzt sein ( Gefahr von Algen). Es kann benutzt werden, z.B. für die Waschmaschine, Toilettenspülung und zum Geschirr spülen. Selbst für die Körperpflege ist es geeignet.

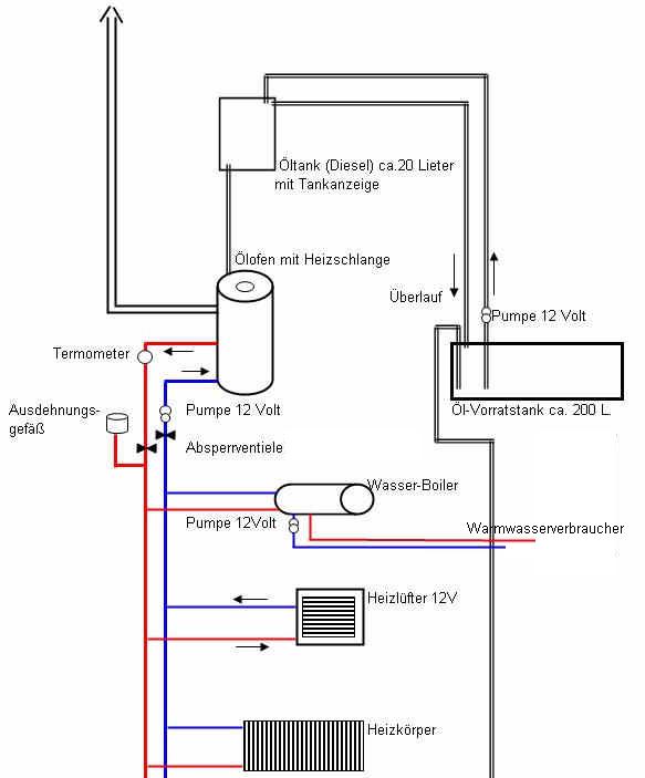
Wärme: Da man es in den kalten Jahreszeiten warm haben möchte, sollte von vorn herein gut Isoliert werden. Zu empfehlen ist eine Ölofenheizung in der auch eine Heizspirale eingebaut ist. Dieser Ofen ist unabhängig von Strom und sehr zuverlässig. Mit der innenliegenden Heizspirale kann über einen Boiler Wasser erhitzt werden, z.B. zum Duschen. Des weiteren kann man auch Heizkörper damit betreiben, die in anderen Räumen aufgestellt werden.

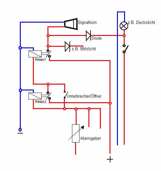
12 Volt Alarmanlage
Bei dieser Alarmanlage braucht der Kontakt des Alarmgeber nur kurzzeitig ansprechen und das Relais 2 wird akteviert. Danach steuert es Relais 1 an, dieses Relais setzt dann den Alarm "An". Zum Abbrechen des Alarm wird der Schalter Unterbrecher/Öffner betätigt und beide Relais fallen wieder ab. Als Unterbrecher/Öffner kann auch ein Zeitrelais verwendet werden, sonst dröhnt die Anlage bei entsprechender Abwesendheit Stunden.
Als Alarmgeber kann alles verwendet werden welches einen Kontakt herstellt. Bewegungsmelder, Mikroschalter, Schwimmschalter, Quecksilberschalter, Bimetall und sogar eine Wäscheklammer für den Stolperdraht.
Bei meiner Anlage werden 2 Signalhörner, Außenlicht, und Innenbeleuchtung akteviert! Über einen Schlüsselschalter schalte ich die Anlage von außen scharf. Eine Blinkdiode signalisiert "Achtung Alarm" Als Relais habe ich welche aus dem Kfz. Bereich genommen, die Schaltleistung ist hier 30 Ampere.

Duschen aus dem Kanister
Um mal eben schnell zu Duschen (wenn kein Warmwasser im Boiler ist) und das nach Möglichkeit mit warmen Wasser, ist diese Methode nach meiner Meinung nach die Beste. Über ein Zweiwegehahn steuert man mit einer separaten 12 Volt Druckwasserpumpe, warmes Duschwasser aus einen Kanister zur Dusche. Das gleiche Verfahren kann man auch für die Waschmaschine anwenden, wo dann gesammeltes Regenwasser zum Waschen benutzt wird.

Dieses Verfahren praktizieren wir auf unseren Kat schon viele Jahre mit Erfolg.
| I m p r e s s u m | B i l d e r g a l e r i e | Z e i c h n u n g e n | T e c h n i k |
| G ä s t e b u c h | W&L auf dem Wasser | F A Q | L i n k s |