Baufortschritt Hausboot
| I m p r e s s u m | B i l d e r g a l e r i e | Z e i c h n u n g e n | T e c h n i k |
| G ä s t e b u c h | W&L auf dem Wasser | F A Q | L i n k s |
Letzter Eintrag: 23.12.2011
Am Anfang steht immer der letzte Eintrag, soweit ist der Baufortschritt!
2.Eintrag: Eine weitere Komponente die man später einbauen kann ist der Steuerstand für Außen. Darüber kann bei Rückwertsfahrten besser Manövriert werden, in engen Häfen!

Nebenbei habe ich aus den Resten vom Steuerstand drei Bücherregale gebaut. Diese sollen später in eine Wand eingebaut werden. Somit schaffe ich Platz!

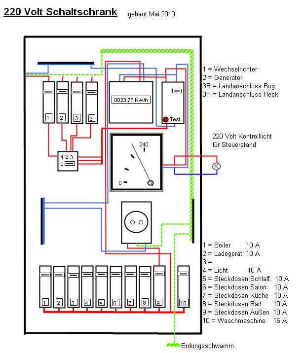
1.Eintrag: Habe einfach mal mit dem Hausbootbau angefangen und mich entschieden, Komponenten zu bauen die dann beim eigentlichem Bau eingefügt werden, man nennt es auch Baukastenbau welches größere Werften auch Prackteezieren. Angefangen habe ich, einen 220 Volt Schaltschrank zu bauen. Von wo das gesamte 220 Volt Stromnetz gesteuert und abgesichert wird.


Danach habe ich noch den kompletten Steuerstand gebaut. Von dort soll das Hausboot einmal über 2 Außenborder gesteuert werden. Im Steuerstand befindet sich auch der 12 Volt Schaltschrank mit allen Sicherungen und Schaltern für die 12 Volt Verbraucher.





Da ich immer noch auf Weltumseglung bin, werde ich nun mit dem bauen aufhören und weiter segeln. Damit ich schnell wieder in Deutschland bin um weiter zu bauen. :-)
| I m p r e s s u m | B i l d e r g a l e r i e | Z e i c h n u n g e n | T e c h n i k |
| G ä s t e b u c h | W&L auf dem Wasser | F A Q | L i n k s |